|
 |
I tried a Gaugemaster automatic reverse loop
module but no matter what I tried - shortening the leads, shortening the section of track,
I couldn't to get it to work 100% reliably. It would work if the loco was
travelling in one direction, but then it would fail in the other.
Sometimes it would cause the loco to stall momentarily, and then
accelerate away from zero. Other times it would require a reset of
the controller. Maybe it was the
combination of the Hornby Elite controller and the Gaugemaster reverse loop
module. I don't know. Anyway, I gave up trying. I'll try to
use it again on the electrofrog diamond crossing that I have.
On the diagonal reverse loop, I planned to have a station, and I decided
that no matter what, locos would have to stop there. The point arrangement
is complex enough for me to welcome a brief pause in the proceedings in order to
work out what to do next anyway !
Sour Grapes Station, I think I will call it.
But a single switch to reverse polarity wouldn't provide the safety that I
wanted. In effect, I wanted a dead section of track between two sections
which had different polarities - so that an accidental
short did not stop everything from working.
My reverse loop has, in both directions, the following sequence - point,
track section, track section / station, track section,
point a break in electrical continuity between each section.. This was done out of necessity as I have a diagonal
track crossing
a baseboard join. In order to manage this, I have a small rectangular
board across the join which lifts out, thus enabling a 90 degree cut to be made
across the track itself. This is shown on the section of track plan,
left.
|
|
 |
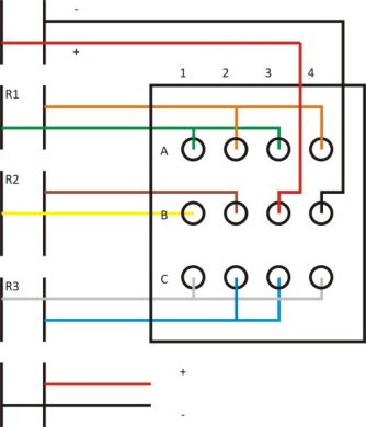
The
wiring shows how I have managed this. The track on the left represents the
3 sections of track - R1, R2 and R3. R2 is the station. Above R1 is
the point and the main track. Below R3 is a point and the main track with
the polarity reversed - as it naturally occurs as the track loops round.
The section to be controlled are the 3 sections R1, R2, R3. The track
sections can be seen coloured Green, Yellow and Blue on the track plan above.
The switch is a miniature 4 pole double throw device with centre off.
ie four separate switches which are all put into the same position at the same
time. I have labelled these, 1,2,3 and 4. Each 'pole' or switch has
3 connectors, which I have labelled on the left as A, B and C. So when the
switch is in the 'up' position (see note below) - B1 is connected to A1; B2 is
connected to A2; B3 is connected to A3 and B4 is connected to A4.
When the switch is in the down position, B1, B2, B3, B4 are connected to C1, C2,
C3, C4 respectively.
Operation
A train enters the station from the bottom of the diagram. The switch
is in the down position. It is running perfectly well on the main line
with the black and red power feeds from the controller - which come from the
same place as the black and red feeds at the top of the diagram.
So the loco enters section R3 from the main track with the black (-ve) lead on
its left and red (+ve) lead on its right. The switch is down so Row B is connected to Row C.
The left track (grey lead) is connected to the black lead in switch B4.
The right track (blue) is connected the red (+ve) lead at B3.
Similarly, R2 is connected with the same polarity - Grey to Yellow through B1/C1
and Blue to Brown at B2/C2. So both R2 and R3 have the same polarity as
the main track to the south. The train is stopped at the station. If it
fails to stop, then it will enter R1. No short will take place, as the
switch is down and R1 is
not connected to anything on Row A of the switch. All four switches are connecting Row B to Row
C. The loco will continue along R1 until all of its pickups have left section R2,
and will then stop dead. Each section is long enough to hold a
loco. Only the loco at the front has pickups on my DCC layout, otherwise I
would need very long track sections.
When the train has stopped, the switch can be thrown so that A1, A2, A3, A4
are connected to B1, B2, B3, B4 respectively. Section R3 becomes dead and
sections R1 and R2 are both connected to the section to the north of R1 - ie
with a reversed polarity.
Simples !
(nb - in reality, when contacts on row C are connected to their
respective centre contacts, the switch lever is in the 'up' position.
It is easy to make this error, but the solution is simple - rotate the
switch through 180 degrees !) Footnote. When operating in DC, it
necessary to stop the loco, throw the 4PDT switch AND change the
direction of the controller before entering the last section.
Using DCC, there is no need to change the controller - in fact the 4PDT
switch can be thrown while the loco is moving in the middle section. |